Search productSearch post
Wavespectrum Laser is a manufacturer of the quality and high performance diode laser products, we are committed to developing, producing and selling high performance laser products. The wavelength range is wide, product packaging variety, single mode fiber, multi-mode fiber and polarization maintaining fiber is available. We strictly control the product quality and have earned wide praise from customers all over the world with their outstanding performance.
Wavespectrum Laser can offer the 515nm 50mW Single Mode FP Laser Diodes, and we can also supply the different power version 515nm SM laser diodes to customers. For the near wavelength laser diode, we can offer the 405nm, 445nm, 505nm, 505nm, 525nm, 530nm, 638nm and 660nm laser diodes to customer.
Product Feature of 515nm 50mW FP Laser Diode
Part number:WSLD-510-050m-1
Wavelength: 515nm
Output Power: 50mW
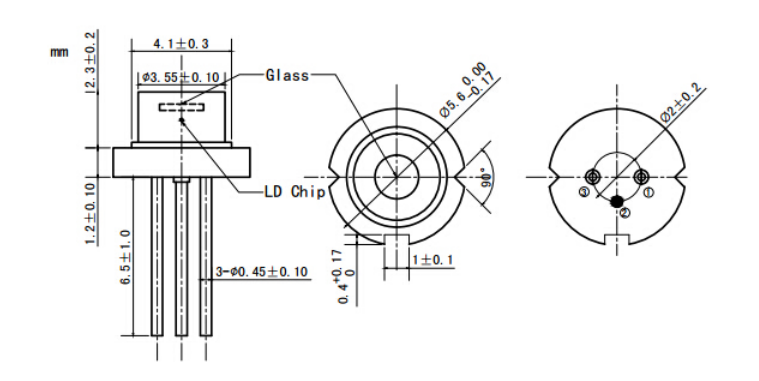
Package: TO18
Without PD
FP Laser Products
Product Parameter of 515nm 50mW Single Mode FP Laser Diode
| Specifications | WSLD-510-050m-1 | ||
| Min | Type | Max | |
| Center Wavelength@25℃505 | 515nm±10nm | ||
| Spectral Width (FWHM) | 2.0nm | ||
| Output Power | ---- | 50mW | ---- |
| Laser Mode | Single Mode | ||
| Beam Divergence (FWHM) | ---- | 24°┴ x 9°// | 26°┴ x 12°// |
| Threshold Current (Typ.) | ---- | 55mA | 90mA |
| Operating Current (Typ.) | ---- | 200mA | 240mA |
| Operating Voltage | ---- | 7.5V | 8.0V |
| Recommended Operating Temperature | 25℃ | ||
| Package Style | TO18 | ||
Product Drawing of 515nm 50mW Single Mode FP Laser Diode
TO18 Package:

PIN Bottom View:

Product Application of 515nm 50mW Single Mode FP Laser Diode
Medical Treatment
Biological Detection
Sensing Application
For more questions visit our help center.
Select based on the wavelength, output power, and fiber connector (e.g., SMA905) you require. Please inform us if you need special modulation.
Our lasers feature thermoelectric cooling and precise temperature control, ensuring more stable output, superior beam quality, and a longer lifespan for demanding applications.
Yes. Most models support TTL modulation, allowing you to quickly switch the laser or adjust its intensity via an external signal.
We offer an 18-month warranty, and each unit undergoes rigorous aging tests to ensure reliability and a long service life.
