Поиск продуктаПоиск сообщений
Wavespectrum Laser является производителем высококачественных и высокопроизводительных диодных лазеров. Мы занимаемся разработкой, производством и продажей высокопроизводительных лазерных продуктов. Диапазон длин волн широк, ассортимент продукции разнообразен, доступны одномодовые, многомодовые и поляризационно-устойчивые волокна. Мы строго контролируем качество продукции и заслужили широкую похвалу от клиентов по всему миру благодаря ее выдающейся производительности.
Wavespectrum Laser может предложить 808-нм 4-ваттный 9-контактный модуль лазерного диода с волоконной связью TEC, а также мы можем поставить клиентам различные версии 808-нм 9-контактного модуля лазерного диода с волоконной связью TEC. Для лазерных продуктов с близкой длиной волны мы также можем предложить клиентам лазерные продукты 808 нм, 820 нм, 830 нм, 835 нм, 850 нм, 860 нм, 940 нм, 985 нм и 1040 нм.
Характеристики продукта 808 нм 4 Вт 9-контактный с модулем лазерного диода с волоконной связью TEC
Номер детали: WSLX-808-004-M-H9-T-PD
Длина волны: 808 нм
Выходная мощность: 4 Вт
Упаковка: 9-контактный
Оптическое волокно: 105 мкм
Разъем: FC/SC/SMA905/ST
Встроенный охладитель TE
Встроенный PD
FP Лазерные продукты
Параметры продукта 808 нм 4 Вт 9-контактный с модулем лазерного диода с волоконной связью TEC
| Технические характеристики | WSLX-808-004-M-H9-T-PD | ||
| Мин | Тип | Макс | |
| Центральная длина волны при 25 °C | 808 нм ± 10 нм | ||
| Спектральная ширина (FWHM) | 3,0 нм | ||
| Выходная мощность | ----- | 4,0 Вт | ----- |
| Температурный коэффициент длины волны | 0,3 нм/°C | ||
| Пороговый ток (тип.) | 0,8 А | ||
| Рабочий ток (тип.) | 5,2 А | ||
| Рабочее напряжение | 1,9 В | ||
| Рекомендуемая температура корпуса | |||
| TEC Макс. ток | 6A | ||
| TEC Макс. напряжение | 9,8 В | ||
| Диаметр волокнистого сердечника | 105 мкм | ||
| Числовая апертура волокна | 0.22 | ||
| Пакет | 9-контактный | ||
| Длина волокна | >80 см | ||
| Тип разъема | FC (SMA905 опционально) | ||
| Фотодиод | Встроенный | ||
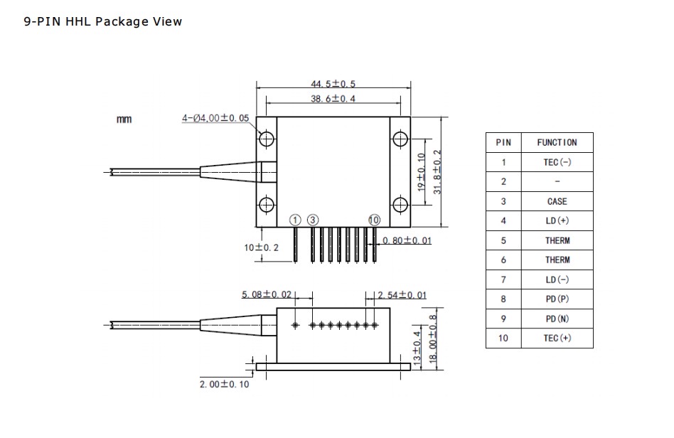
Чертеж продукта 808 нм 4 Вт 9-контактный с модулем лазерного диода с волоконной связью TEC

Применение продукта 808 нм 4 Вт 9-контактный с модулем волоконно-связанного лазерного диода TEC
Медицинское лечение
Биологическое обнаружение
Применение датчиков
Если у вас есть дополнительные вопросы, посетите наш справочный центр.
Выберите на основе длина волны, выходная мощность и волоконный разъем (например, SMA905), который вам нужен. Пожалуйста, сообщите нам, если вам нужна специальная модуляция.
Особенности наших лазеров термоэлектрическое охлаждение и точное регулирование температуры, обеспечивая более стабильную мощность, превосходное качество луча и более длительный срок службы для сложных применений.
Да. Большинство моделей поддерживают TTL-модуляция, что позволяет быстро переключать лазер или регулировать его интенсивность с помощью внешнего сигнала.
Мы предлагаем 18-месячная гарантия, и каждая единица проходит строгие испытания на старение, чтобы гарантировать надежность и длительный срок службы.
