Search productSearch post
Wavespectrum Laser is a manufacturer of the quality and high performance diode laser products, we are committed to developing, producing and selling high performance laser products. The wavelength range is wide, product packaging variety, single mode fiber, multi-mode fiber and polarization maintaining fiber is available. We strictly control the product quality and have earned wide praise from customers all over the world with their outstanding performance.
Wavespectrum Laser can offer the 635nm 10mW single mode fiber detachable laser modules, and we can also supply the different power version 635nm single mode fiber detachable laser modules to customers. For the near wavelength laser products, we can also offer the 660nm, 685nm, 785nm, 830nm, 850nm, 880nm, 905nm, 940nm, 980nm and 1064nm laser products to customers.
Product Feature of 635nm 10mW Single Mode Fiber Detachable Diode Laser Module
Wavelength: 635nm
Output Power: 10mW
Package: Coaxial detachable
Suit for 3um Single Mode Fiber
Connector: FC Detachable
Built-in PD
FP Laser Products
Product Parameter of 635nm 10mW Single Mode Fiber Detachable Diode Laser Module
| Specifications | WSLR-635-010m-4-PD | ||
| Min | Type | Max | |
| Center Wavelength@25℃ | 638nm±10nm | ||
| Spectral Width(FWHM) | - | 2.0nm | - |
| Optical Fiber Output Power(After Fiber) | - | 10mW | - |
| Fiber Specification | 4um (or more) | ||
| 0.12(or more) | |||
| Recommended Operating Temperature | 25℃ | ||
| Monitor Current | - | 0.3mA | - |
| PD Reverse Voltage | - | - | 30V |
| Threshold Current(Typ.) | - | 55mA | 90mA |
| Operating Current(Typ.) | - | 200mA | 220mA |
| Operating Voltage | - | 2.7V | 3.3V |
| Package Style | Coaxial Receptacle or B8 Receptacle | ||
| Ferrule Type | FC | ||
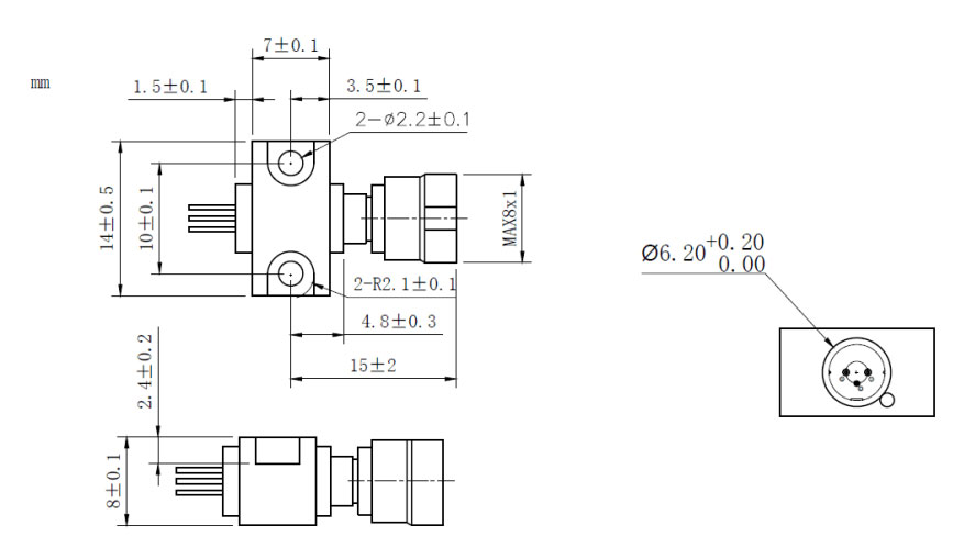
Product Drawing of 635nm 10mW Single Mode Fiber Detachable Diode Laser Module
Coaxial Receptacle Package View: (Part Number: WSLR-635-003m-4-PD)

B8 Receptacle Package View: (Part Number: WSLR-635-003m-4-B-PD)

PIN Bottom View:

Electrically shorten LD module and store in non-extreme conditions.
Suggest using the constant current power supply.
Product Application of 635nm 10mW Single Mode Fiber Detachable Diode Laser Module
Medical Treatment
Biological Detection
Sensing Application
For more questions visit our help center.
Select based on the wavelength, output power, and fiber connector (e.g., SMA905) you require. Please inform us if you need special modulation.
Our lasers feature thermoelectric cooling and precise temperature control, ensuring more stable output, superior beam quality, and a longer lifespan for demanding applications.
Yes. Most models support TTL modulation, allowing you to quickly switch the laser or adjust its intensity via an external signal.
We offer an 18-month warranty, and each unit undergoes rigorous aging tests to ensure reliability and a long service life.
