Search productSearch post
Wavespectrum Laser is a manufacturer of the quality and high performance diode laser products, we are committed to developing, producing and selling high performance laser products. The wavelength range is wide, product packaging variety, single mode fiber, multi-mode fiber and polarization maintaining fiber is available. We strictly control the product quality and have earned wide praise from customers all over the world with their outstanding performance.
Wavespectrum Laser can offer the 630nm 300mW 9-Pin with TEC fiber coupled laser diode module, and we can also supply the different power version 630nm 9-Pin with TEC fiber coupled laser diode module to customers. For the near wavelength laser products, we can also offer the 635nm, 660nm, 670nm and 690nm laser products to customers.
Product Feature of 630nm 300mW 9-Pin with TEC Fiber Coupled Laser Diode Module
Part Number: WSLX-630-300m-M-H9-T-PD
Wavelength: 630nm
Output Power: 300mW
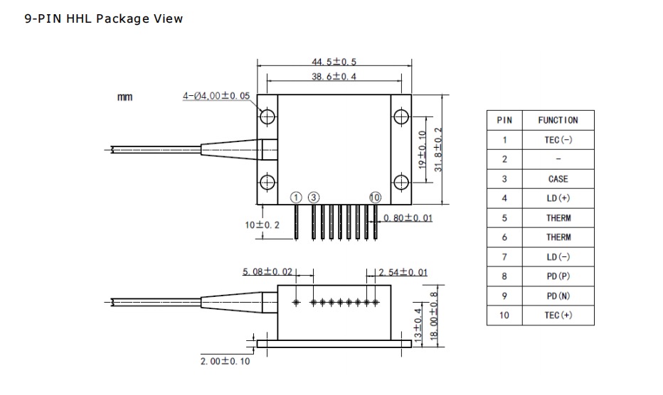
Package: 9-Pin
Fiber Core: 105um
Connector: FC/SC/SMA905/ST
Built-in TE Cooler
Built-in PD
FP Laser Products
Product Parameter of 630nm 300mW 9-Pin with TEC Fiber Coupled Laser Diode Module
| Specifications | WSLX-630-300m-M-H9-T-PD | ||
| Min | Type | Max | |
| Center Wavelength@15℃ | 630nm±10nm | ||
| Output Power | 300mW | ||
| Spectral Width (FWHM) | 2nm | ||
| Recommended Operating Temperature | ≤15℃ | ||
| Temperature Coefficient of Wavelength | 0.2nm / °C | ||
| Threshold Current (Typ.) | 0.3A | ||
| Operating Current (Typ.) | 0.7A | ||
| Operating Voltage | 2.5V | ||
| TEC Max Current | 6A | ||
| Operating Voltage | 9.8V | ||
| Thermistor | 10K | ||
| Fiber Core | 105um (200um Optional) | ||
| N.A. | 0.22 | ||
| Fiber Connector | FC/SMA905 | ||
| Fiber Length | >80cm | ||
| Package Style | 9-Pin | ||
Product Drawing of 630nm 300mW 9-Pin with TEC Fiber Coupled Laser Diode Module

Product Application of 630nm 300mW 9-Pin with TEC Fiber Coupled Laser Diode Module
Medical Treatment
Biological Detection
Sensing Application
For more questions visit our help center.
Select based on the wavelength, output power, and fiber connector (e.g., SMA905) you require. Please inform us if you need special modulation.
Our lasers feature thermoelectric cooling and precise temperature control, ensuring more stable output, superior beam quality, and a longer lifespan for demanding applications.
Yes. Most models support TTL modulation, allowing you to quickly switch the laser or adjust its intensity via an external signal.
We offer an 18-month warranty, and each unit undergoes rigorous aging tests to ensure reliability and a long service life.
