Search productSearch post
Wavespectrum Laser is a manufacturer of the quality and high performance diode laser products, we are committed to developing, producing and selling high performance laser products. The wavelength range is wide, product packaging variety, single mode fiber, multi-mode fiber and polarization maintaining fiber is available. We strictly control the product quality and have earned wide praise from customers all over the world with their outstanding performance.
Wavespectrum Laser can offer the 405nm 200mW SM Laser Diode with 3.8mm Package , and we can also supply the different power version 405nm SM laser diodes to customers. For the near wavelength laser diode, we can offer the 445nm, 480nm, 488nm, 495nm, 505nm, 520nm, 635nm and 660nm laser diodes to customer.
Product Feature of 405nm 200mW SM Laser Diode with 3.8mm Package
Part number:WSLD-405-200m-1-PD(3.8mm)
Wavelength: 405nm
Output Power:3.8mm
3.8mm
Built-in PD
FP Laser Products
Product Parameter of 405nm 200mW SM Laser Diode with 3.8mm Package
| Specifications | WSLD-405-200m-1 | ||
| Min | Type | Max | |
| Center Wavelength@25℃ | 405nm±10nm | ||
| Spectral Width (FWHM) | 2.0nm | ||
| Output Power | - | 200mW | - |
| Beam Type | Single Mode | ||
| Beam Divergence (FWHM) | 15°┴ x7°// | 20°┴ x 9°// | 24°┴ x 12°// |
| Recommended Operating Temperature | 25℃ | ||
| Slope Efficiency | 1.0mW/mA | 1.5mW/mA | 1.9mW/mA |
| Threshold Current (Typ.) | - | 35mA | 60mA |
| Operating Current (Typ.) | - | 160mA | 180mA |
| Operating Voltage | - | 5.2V | 6.0V |
| Package Style | 3.8mm | ||
| Output Power (Pulse Mode) | 400mW | ||
| Pulse Mode Condition : Width 30ns Duty 50% | |||
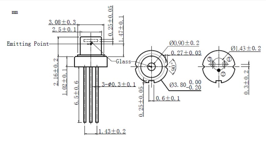
Product Drawing of 405nm 200mW SM Laser Diode with 3.8mm Package
Drawing

PIN Bottom View:

Electrically shorten LD module and store in non-extreme conditions.
Suggest using the constant current power supply.
Product Application of 405nm 200mW SM Laser Diode with 3.8mm Package
Medical Treatment
Biological Detection
Sensing Application
For more questions visit our help center.
Select based on the wavelength, output power, and fiber connector (e.g., SMA905) you require. Please inform us if you need special modulation.
Our lasers feature thermoelectric cooling and precise temperature control, ensuring more stable output, superior beam quality, and a longer lifespan for demanding applications.
Yes. Most models support TTL modulation, allowing you to quickly switch the laser or adjust its intensity via an external signal.
We offer an 18-month warranty, and each unit undergoes rigorous aging tests to ensure reliability and a long service life.
