Search productSearch post
Wavespectrum Laser is a manufacturer of the quality and high performance diode laser products, we are committed to developing, producing and selling high performance laser products. The wavelength range is wide, product packaging variety, single mode fiber, multi-mode fiber and polarization maintaining fiber is available. We strictly control the product quality and have earned wide praise from customers all over the world with their outstanding performance.
Wavespectrum Laser can offer the 405nm 150mw SM laser diodes, and we can also supply the different power version 405nm SM laser diodes to customers. For the near wavelength laser diode, we can offer the 445nm, 480nm, 488nm, 495nm, 505nm, 520nm, 635nm and 660nm laser diodes to customer.
Product Feature of 405nm 150mW SM Laser Diode
Wavelength: 405nm
Output Power: 150mW
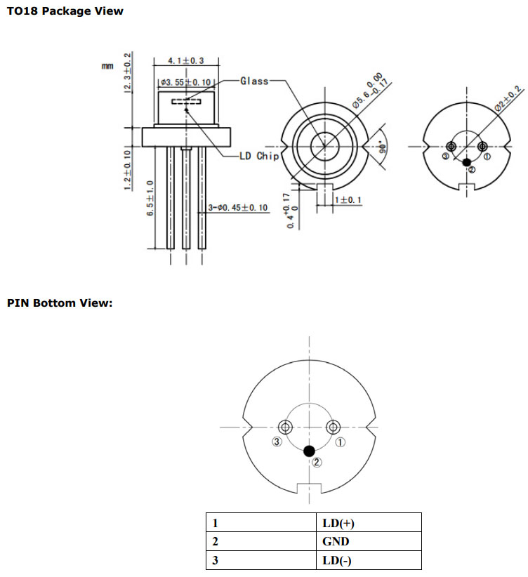
Package: TO18
Built-in PD
FP Laser Products
Product Parameter of 405nm 150mW SM Laser Diode
| Specifications | WSLD-405-150m-1-PD | ||
| Min | Type | Max | |
| Center Wavelength@25℃ | ±5nm | 405nm | ±10nm |
| Spectral Width (FWHM) | 2.0nm | ||
| Output Power | ---- | 150mW | ---- |
| Emitter | Single | ||
| Beam Divergence (FWHM) | 15°┴ x 5°// | 19.5°┴ x 9°// | 24°┴ x 12°// |
| Monitor Current | 0.3mA | ||
| PD Reverse Voltage | 30V | ||
| Recommended Operating Temperature | 25℃ | ||
| Slope Efficiency | ---- | 1.6mW/mA | ---- |
| Threshold Current (Typ.) | ---- | 40mA | 75mA |
| Operating Current (Typ.) | ---- | 135mA | 170mA |
| Operating Voltage | ---- | 5.0V | 6.0V |
| Package Style | TO18(5.6mm) | ||
Product Drawing of 405nm 150mW SM Laser Diode

Product Application of 405nm 150mW SM Laser Diode
Medical Treatment
Biological Detection
Sensing Application
For more questions visit our help center.
Select based on the wavelength, output power, and fiber connector (e.g., SMA905) you require. Please inform us if you need special modulation.
Our lasers feature thermoelectric cooling and precise temperature control, ensuring more stable output, superior beam quality, and a longer lifespan for demanding applications.
Yes. Most models support TTL modulation, allowing you to quickly switch the laser or adjust its intensity via an external signal.
We offer an 18-month warranty, and each unit undergoes rigorous aging tests to ensure reliability and a long service life.
