제품 검색게시물 검색
웨이브스펙트럼 레이저는 고품질 고성능 다이오드 레이저 제품의 제조업체로서, 고성능 레이저 제품의 개발, 생산 및 판매에 전념하고 있습니다. 파장 범위가 넓고 제품 패키징이 다양하며, 단일모드 광섬유, 다중모드 광섬유 및 편광 유지 광섬유를 제공합니다. 우리는 제품 품질을 엄격히 관리하며 탁월한 성능으로 전 세계 고객들로부터 폭넓은 찬사를 받고 있습니다.
웨이브스펙트럼 레이저는 525nm 1.2W 9핀 TEC 광섬유 결합 레이저 다이오드 모듈을 제공할 수 있으며, 고객에게 다양한 출력 버전의 525nm 9핀 TEC 광섬유 결합 레이저 다이오드 모듈도 공급 가능합니다. 근적외선 파장 레이저 제품의 경우, 375nm, 395nm, 400nm, 420nm, 435nm, 455nm, 465nm, 505nm 및 520nm 레이저 제품을 고객에게 제공할 수 있습니다.
525nm 1.2W 9핀 TEC 광섬유 결합 레이저 다이오드 모듈의 제품 특징
부품 번호: WSLX-525-1200m-M-H9-T-PD
파장: 525nm
출력 전력: 1.2W
패키지: 9핀
광섬유 코어: 105μm
커넥터: FC/SC/SMA905/ST
내장형 TE 쿨러
내장형 PD
FP 레이저 제품
525nm 1.2W 9핀 TEC 광섬유 결합 레이저 다이오드 모듈 제품 사양
| 사양 | WSLX-525-1200m-M-H9-T-PD | ||
| 최소. | 유형 | 최대. | |
| 중심 파장@25℃ | 525nm±10nm | ||
| 분광 폭 (FWHM) | ---- | 3나노미터 | ---- |
| 출력 전력 | 1W | 1.2W | ---- |
| 권장 작동 온도 | 25 °C | ||
| 역전류(전형값) | ---- | 0.2A | 0.6A |
| 작동 전류 (일반) | ---- | 2.1A | 2.3A |
| 작동 전압 | 5.0V | 6.0V | |
| TEC 최대 전류 | 6A | ||
| TEC 최대 전압 | 9.8V | ||
| 서미스터 | 10K | ||
| 파이버 코어 | 105μm (50μm, 200μm, 400μm 선택 가능) | ||
| 섬유 길이 | 80cm 이상 | ||
| 커넥터 유형 | SMA905/FC | ||
| 패키지 | 9핀 | ||
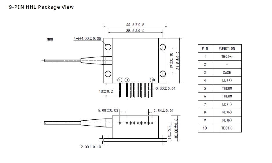
525nm 1.2W 9핀 TEC 광섬유 결합 레이저 다이오드 모듈 제품 도면

525nm 1.2W 9핀 TEC 광섬유 결합 레이저 다이오드 모듈의 제품 적용
의료 치료
생물학적 탐지
센싱 애플리케이션
추가 문의 사항은 고객 지원 센터를 방문해 주세요.
다음에 따라 선택하십시오: 파장, 출력 전력 및 광섬유 커넥터 (예: SMA905) 필요한 모델을 알려주십시오. 특별한 변조 방식이 필요한 경우 알려주십시오.
저희 레이저의 특징은 다음과 같습니다. 열전 냉각 및 정밀 온도 제어, 더 안정적인 출력, 우수한 빔 품질 및 까다로운 응용 분야에서의 긴 수명을 보장합니다.
예. 대부분의 모델이 지원합니다. TTL 변조, 외부 신호를 통해 레이저를 신속하게 전환하거나 그 강도를 조정할 수 있도록 합니다.
저희는 18개월 보증, 각 유닛은 신뢰성과 긴 수명을 보장하기 위해 엄격한 노화 테스트를 거칩니다.
