제품 검색게시물 검색
웨이브스펙트럼 레이저는 고품질 고성능 다이오드 레이저 제품의 제조업체로서, 고성능 레이저 제품의 개발, 생산 및 판매에 전념하고 있습니다. 파장 범위가 넓고 제품 패키징이 다양하며, 단일모드 광섬유, 다중모드 광섬유 및 편광 유지 광섬유를 제공합니다. 우리는 제품 품질을 엄격히 관리하며 탁월한 성능으로 전 세계 고객들로부터 폭넓은 찬사를 받고 있습니다.
웨이브스펙트럼 레이저는 1550nm 3W 9핀 윈도우 패키지 레이저 다이오드를 포함한 다양한 레이저 다이오드를 제공합니다. 또한 1550nm 9핀 윈도우 패키지 레이저 다이오드에 대해 다양한 출력 버전을 공급합니다. 근접 파장 다중 모드 레이저 다이오드의 경우, 고객의 다양한 요구 사항을 충족시키기 위해 915nm, 940nm, 980nm, 1064nm, 1310nm, 1470nm 및 1920nm 옵션이 준비되어 있습니다.
1550nm 3W 9핀 윈도우 패키지 레이저 다이오드의 제품 특징
파장: 1550nm
출력 전력: 3W
패키지: 9핀 윈도우 패키지
FAC 렌즈 선택 사항
FP 레이저 제품
1550nm 3W 9핀 윈도우 패키지 레이저 다이오드 제품 사양
| 사양 | WSLD-1550-003-H9-T-PD | ||
| 민 | 유형 | 맥스 | |
| 중심 파장@25℃ | 1550nm±30nm | ||
| 분광 폭(FWHM) | - | 10나노미터 | - |
| 출력 전력 | 2.5W | 3W | - |
| 방출 영역 | 100×1μm | ||
| 빔 발산(FWHM) | - | 35°┴ x 10°// | - |
| 온도 계수(파장) | 0.7nm/°C | - | |
| 경사 효율 | - | 0.3와트/암페어 | - |
| 역류 전류(일반) | - | 0.5A | - |
| 작동 전류(일반) | - | 9.0A | - |
| 작동 전압 | - | 2.0V | - |
| TEC 최대 전압 | 9.8V | ||
| TEC 최대 전류 | 6A | ||
| 서미스터 | 10K | ||
| 패키지 스타일 | 9핀 창 | ||
| 권장 작동 온도 | 25℃ | ||
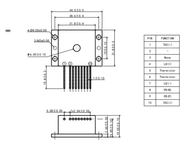
1550nm 3W 9핀 윈도우 패키지 레이저 다이오드 제품 도면
9핀 윈도우 패키지 뷰

전기적으로 LD 모듈을 단축하고 극한이 아닌 조건에서 보관하십시오.
정전류 전원 공급 장치를 사용하는 것을 권장합니다.
1550nm 3W 9핀 윈도우 패키지 레이저 다이오드의 제품 적용
의료 치료
생물학적 탐지
센싱 애플리케이션
추가 문의 사항은 고객 지원 센터를 방문해 주세요.
다음에 따라 선택하십시오: 파장, 출력 전력 및 광섬유 커넥터 (예: SMA905) 필요한 모델을 알려주십시오. 특별한 변조 방식이 필요한 경우 알려주십시오.
저희 레이저의 특징은 다음과 같습니다. 열전 냉각 및 정밀 온도 제어, 더 안정적인 출력, 우수한 빔 품질 및 까다로운 응용 분야에서의 긴 수명을 보장합니다.
예. 대부분의 모델이 지원합니다. TTL 변조, 외부 신호를 통해 레이저를 신속하게 전환하거나 그 강도를 조정할 수 있도록 합니다.
저희는 18개월 보증, 각 유닛은 신뢰성과 긴 수명을 보장하기 위해 엄격한 노화 테스트를 거칩니다.
