商品を検索投稿を検索
ウェーブスペクトラム・レーザーは、高品質で高性能なダイオードレーザー製品のメーカーです。当社は高性能レーザー製品の開発、製造、販売に力を注いでおります。波長範囲は広く、製品パッケージも多様で、シングルモードファイバー、マルチモードファイバー、偏波保持ファイバーに対応しています。製品品質を厳格に管理し、その卓越した性能により世界中の顧客から高い評価を得ています。.
Wavespectrum Laserは、940nm 10W 9ピンTEC付きファイバー結合型レーザーダイオードモジュールを提供可能です。また、異なる出力バージョンの940nm 9ピンTEC付きファイバー結合型レーザーダイオードモジュールもお客様に供給できます。 近赤外波長レーザー製品については、850nm、860nm、910nm、920nm、945nm、976nm、980nm、1060nm、1064nmのレーザー製品もお客様にご提供可能です。.
940nm 10W 9ピン TECファイバー結合型レーザーダイオードモジュールの製品特長
部品番号: WSLX-940-010-M-H9-T-PD
波長:940nm
出力電力:10W
パッケージ: 9ピン
ファイバーコア:105μm
コネクタ: FC/SC/SMA905/ST
内蔵型TEクーラー
内蔵PD
FPレーザー製品
940nm 10W 9ピン TEC付きファイバー結合型レーザーダイオードモジュールの製品仕様
| 仕様 | WSLX-940-010-M-H9-T-PD | ||
| 最小. | タイプ | 最大. | |
| 中心波長@25℃ | 940nm±10nm | ||
| スペクトル幅(FWHM) | ----- | 4ナノメートル | ----- |
| 出力電力 | ----- | 10W | ----- |
| 波長の温度係数 | ----- | 0.3nm/℃ | ----- |
| しきい値電流(標準値) | ----- | 0.5A | 1.0A |
| 動作電流(標準) | ----- | 12.0A | 12.5A |
| 動作電圧 | ----- | 1.8V | 2.3V |
| 推奨ケース温度 | 25℃ | ||
| TEC 最大電流 | 6A | ||
| TEC 最大電圧 | 9.8V | ||
| サーミスタ | 10K | ||
| ファイバーコア径 | 105マイクロメートル | ||
| ファイバー開口数 | 0.22 | ||
| 繊維長 | 80cm以上 | ||
| パッケージスタイル | 9ピン | ||
| コネクタタイプ | SMA905/ST/FC | ||
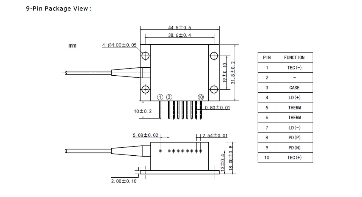
940nm 10W 9ピン 熱電冷却(TEC)ファイバー結合型レーザーダイオードモジュールの製品図面

940nm 10W 9ピン 熱電冷却(TEC)ファイバー結合型レーザーダイオードモジュールの製品用途
医療処置
生物学的検出
センシングアプリケーション
その他のご質問については、ヘルプセンターをご覧ください。.
以下に基づいて選択してください 波長、出力電力、および光ファイバーコネクタ (例:SMA905) 必要なものを明記してください。特別な変調が必要な場合はお知らせください。.
当社のレーザーの特徴 熱電冷却と精密温度制御, より安定した出力、優れたビーム品質、そして過酷な用途における長寿命を保証します。.
はい。ほとんどのモデルがサポートしています。 TTL変調, これにより、外部信号を介してレーザーを素早く切り替えたり、その強度を調整したりすることが可能になります。.
当社は提供します 18ヶ月保証, 各ユニットは、信頼性と長寿命を確保するため、厳格な経年試験を実施しています。.
