商品を検索投稿を検索
ウェーブスペクトラム・レーザーは、高品質で高性能なダイオードレーザー製品のメーカーです。当社は高性能レーザー製品の開発、製造、販売に力を注いでおります。波長範囲は広く、製品パッケージも多様で、シングルモードファイバー、マルチモードファイバー、偏波保持ファイバーに対応しています。製品品質を厳格に管理し、その卓越した性能により世界中の顧客から高い評価を得ています。.
ウェーブスペクトラム・レーザーは、455nm 4W高出力9ピン200μmファイバーピグテイルダイオードレーザーモジュールを発表できることを大変嬉しく思います。また、お客様の多様なニーズにお応えするため、455nm高出力9ピン200μmファイバーピグテイルダイオードレーザーモジュールの各種出力バージョンも供給可能です。 さらに、375nm、395nm、400nm、420nm、435nm、455nm、465nm、488nm、505nm、520nmなど、近赤外波長レーザー製品を幅広く取り揃えております。.
455nm 4W高出力 9ピン 200μmファイバーピグテイル付きダイオードレーザーモジュールの製品特長
部品番号: WSLX-455-004-200M-H9-T-PD
波長:455nm
出力電力:4W
パッケージ: 9ピン
ファイバーコア:200μm
コネクタ: FC/SC/SMA905/ST
内蔵型TEクーラー
内蔵PD
FPレーザー製品
455nm 4W高出力 9ピン 200μmファイバーピグテイル付きダイオードレーザーモジュールの製品仕様
| 仕様 | WSLX-455-004-200M-H9-T-PD | ||
| 最小. | タイプ | 最大. | |
| 中心波長@25℃ | 455nm±10nm | ||
| スペクトル幅(FWHM) | ---- | 3ナノメートル | ---- |
| 出力電力 | ---- | 4W | ---- |
| 推奨動作温度 | 25 °C | ||
| しきい値電流(標準値) | ---- | 0.2A | 0.6A |
| 動作電流(標準) | ---- | 3.2A | 3.5A |
| 動作電圧 | 4.5V | 5.5V | |
| TEC 最大電流 | 6A | ||
| TEC 最大電圧 | 9.8V | ||
| サーミスタ | 10K | ||
| 繊維の種類 | マルチモードファイバー | ||
| ファイバーコア | 200μm(400μm オプション) | ||
| 繊維長 | 80cm以上 | ||
| コネクタタイプ | SMA905/FC | ||
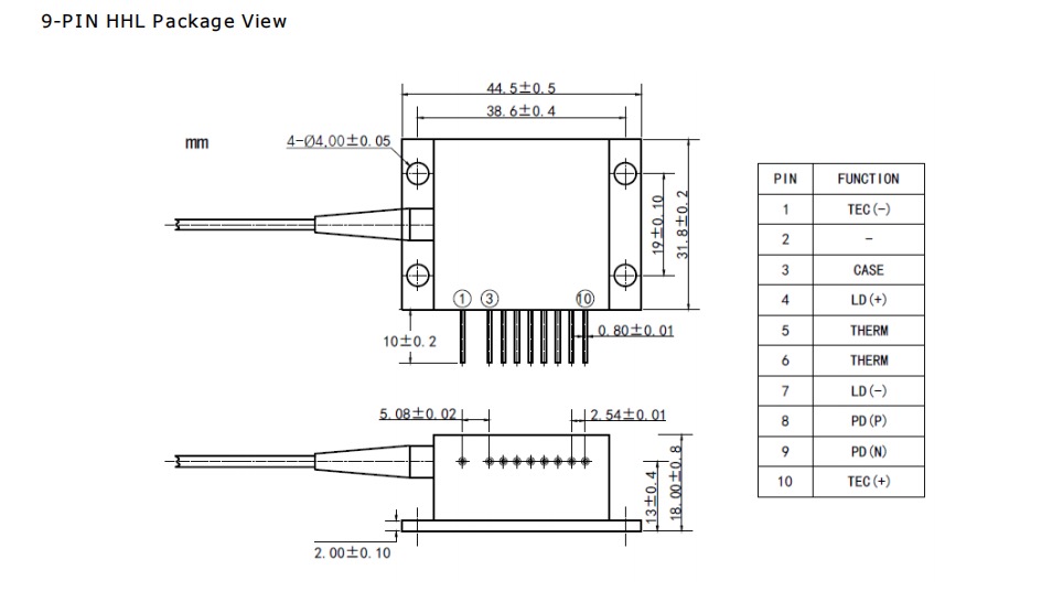
455nm 4W高出力 9ピン 200μmファイバーピグテール付きダイオードレーザーモジュールの製品図面

455nm 4W高出力 9ピン 200μmファイバーピグテイル付きダイオードレーザーモジュールの製品用途
医療処置
生物学的検出
センシングアプリケーション
その他のご質問については、ヘルプセンターをご覧ください。.
以下に基づいて選択してください 波長、出力電力、および光ファイバーコネクタ (例:SMA905) 必要なものを明記してください。特別な変調が必要な場合はお知らせください。.
当社のレーザーの特徴 熱電冷却と精密温度制御, より安定した出力、優れたビーム品質、そして過酷な用途における長寿命を保証します。.
はい。ほとんどのモデルがサポートしています。 TTL変調, これにより、外部信号を介してレーザーを素早く切り替えたり、その強度を調整したりすることが可能になります。.
当社は提供します 18ヶ月保証, 各ユニットは、信頼性と長寿命を確保するため、厳格な経年試験を実施しています。.
