商品を検索投稿を検索
ウェーブスペクトラム・レーザーは、高品質で高性能なダイオードレーザー製品のメーカーです。当社は高性能レーザー製品の開発、製造、販売に力を注いでおります。波長範囲は広く、製品パッケージも多様で、シングルモードファイバー、マルチモードファイバー、偏波保持ファイバーに対応しています。製品品質を厳格に管理し、その卓越した性能により世界中の顧客から高い評価を得ています。.
Wavespectrum Laserは405nm 1W 9ピン光ファイバー着脱式レーザーモジュールを提供可能です。また、異なる出力バージョンの405nm 9ピン光ファイバー着脱式レーザーモジュールもお客様に供給できます。 近赤外波長レーザー製品については、400nm、425nm、445nm、455nm、465nm、520nm、532nmのレーザー製品もお客様にご提供可能です。.
405nm 1W 9ピン光ファイバー着脱式ダイオードレーザーモジュールの製品特長
波長:405nm
出力電力:1W
パッケージ: 9ピン着脱式
200μm MMファイバー用スリーブ
コネクタ: SMA905
内蔵型TEクーラー
FPレーザー製品
405nm 1W 9ピン光ファイバー着脱式ダイオードレーザーモジュールの製品仕様
| 仕様 | WSLR-405-001-200M-H9-T | ||
| Min | タイプ | マックス | |
| 中心波長@25℃ | 405nm±10nm | ||
| スペクトル幅(FWHM) | - | 4ナノメートル | - |
| 出力電力(ファイバー端面後) | - | 1W | - |
| 使用済みファイバーコア | 200μm(400μm以上)UVファイバー | ||
| 推奨動作温度 | 25℃ | ||
| 着脱式光ファイバーコネクタ | SMA905 | ||
| しきい値電流(標準値) | - | 120mA | 200mA |
| 動作電流(標準) | - | 440mA | 500mA |
| 動作電圧 | - | 10.0V | 12.0V |
| TEC 最大電流 | 6A | ||
| TEC 最大電圧 | 9.8V | ||
| サーミスタ | 10K | ||
| パッケージスタイル | 9ピン着脱式 | ||
| 繊維検出機能 | 任意 | ||
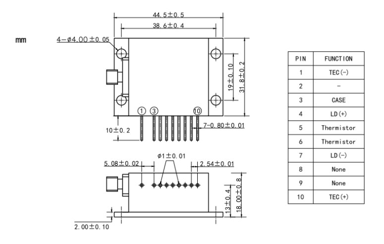
405nm 1W 9ピン光ファイバー着脱式ダイオードレーザーモジュールの製品図面
9ピンパッケージの図面

LDモジュールを電気的に短縮し、過酷でない条件下で保管する。.
定電流電源の使用を推奨します。.
405nm 1W 9ピン光ファイバー着脱式ダイオードレーザーモジュールの製品用途
医療処置
生物学的検出
センシングアプリケーション
その他のご質問については、ヘルプセンターをご覧ください。.
以下に基づいて選択してください 波長、出力電力、および光ファイバーコネクタ (例:SMA905) 必要なものを明記してください。特別な変調が必要な場合はお知らせください。.
当社のレーザーの特徴 熱電冷却と精密温度制御, より安定した出力、優れたビーム品質、そして過酷な用途における長寿命を保証します。.
はい。ほとんどのモデルがサポートしています。 TTL変調, これにより、外部信号を介してレーザーを素早く切り替えたり、その強度を調整したりすることが可能になります。.
当社は提供します 18ヶ月保証, 各ユニットは、信頼性と長寿命を確保するため、厳格な経年試験を実施しています。.
