Cerca prodottoCerca post
Wavespectrum Laser è un produttore di prodotti laser a diodi di alta qualità e prestazioni elevate. Ci impegniamo a sviluppare, produrre e vendere prodotti laser ad alte prestazioni. La gamma di lunghezze d'onda è ampia, la varietà di confezioni dei prodotti è ampia, sono disponibili fibre monomodali, multimodali e a polarizzazione mantenuta. Controlliamo rigorosamente la qualità dei prodotti e abbiamo ottenuto ampi consensi dai clienti di tutto il mondo grazie alle loro prestazioni eccezionali.
Wavespectrum Laser è specializzata nella fornitura di moduli diodi laser accoppiati a fibra da 1550 nm, 2,5 W e 15 pin, dotati di un raggio di puntamento rosso integrato da 660 nm. Offriamo inoltre un'ampia selezione di configurazioni di potenza per moduli diodi laser accoppiati a fibra multimodale da 1550 nm e 15 pin, in grado di soddisfare le diverse esigenze dei clienti. Inoltre, forniamo anche prodotti laser a lunghezza d'onda vicina, tra cui prodotti laser a 915 nm, 940 nm, 980 nm, 1064 nm, 1270 nm, 1310 nm, 1470 nm e 1570 nm.
Caratteristiche del prodotto del modulo diodo laser accoppiato a fibra da 1550 nm, 2,5 W, 15 pin con raggio di puntamento rosso
Lunghezza d'onda: 1550 nm
Potenza di uscita: 2,5 W
Confezione: 15 pin
Anima in fibra: 200 um
Connettore: FC/PC
Con raggio di mira rosso
Raffreddatore TE integrato
PD integrato
Prodotti laser FP
Parametri del prodotto del modulo diodo laser accoppiato a fibra da 1550 nm, 2,5 W, 15 pin con raggio di puntamento rosso
| Specifiche tecniche | WSLX-1550-2500 m-200 M-H15-T-PD-A | |||
| Min | Tipo | Massimo | ||
| Lunghezza d'onda centrale a 25 °C | ±10 nm | 1550 nm | ±30 nm | |
| Larghezza spettrale (FWHM) | - | 7,0 nm | - | |
| Potenza di uscita | - | 2,5 W | - | |
| Coefficiente di temperatura della lunghezza d'onda | - | 0,7 nm/°C | - | |
| Corrente di soglia (tipica) | - | 0,8 A | 1,5 A | |
| Corrente di funzionamento (tipica) | - | 11,0 A | 12,0 A | |
| Tensione di funzionamento | - | 1,7 V | 2,2 V | |
| Temperatura consigliata della custodia | 25 °C | |||
| TEC MAX Corrente | 6A | |||
| TEC Tensione massima | 9,8 V | |||
| Termistore | 10K | |||
| Diametro del nucleo in fibra | 200 µm (400 µm opzionale) | |||
| Lunghezza delle fibre | >80 cm | |||
| Tipo di connettore | SMA905/ST/FC | |||
| Stile del pacchetto | 15 pin | |||
| Raggio di mira | Standard | >2 mW@(650 nm ± 20 nm) (rosso) | ||
| Opzionale | >2 mW a 520 nm (verde) | |||
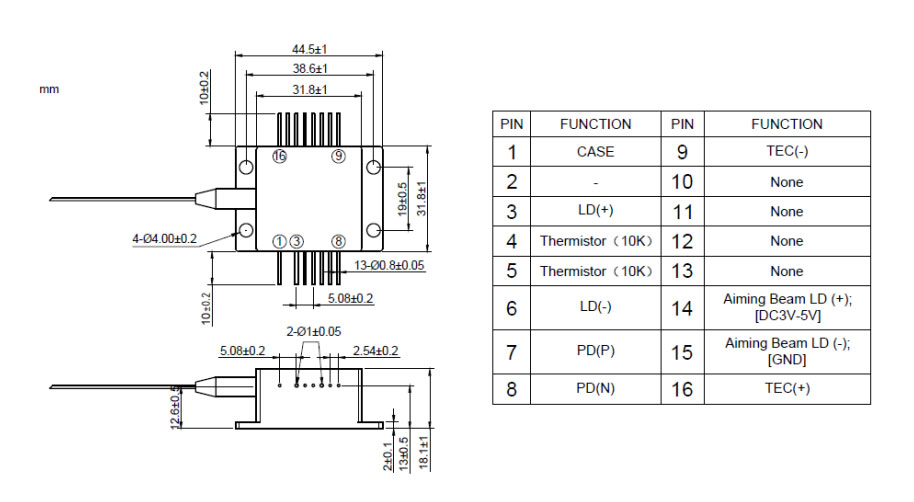
Disegno del prodotto del modulo diodo laser accoppiato a fibra da 1550 nm, 2,5 W, 15 pin con raggio di puntamento rosso
Vista del pacchetto a 15 pin:

Wavespectrum offre LD accoppiato a fibra personalizzato da 1550 nm.
● Potenza di uscita personalizzata
● Nucleo in fibra personalizzato
● Modulo a doppia lunghezza d'onda o tripla lunghezza d'onda opzionale (ad esempio 10 W a 1550 nm + 350 mW a 635 nm)
Contattaci all'indirizzo info@wavespectrum-laser.com
Accorciare elettricamente il modulo LD e conservarlo in condizioni non estreme.
Si consiglia di utilizzare un alimentatore a corrente costante.
Applicazione del prodotto del modulo diodo laser accoppiato a fibra da 1550 nm, 2,5 W, 15 pin con raggio di puntamento rosso
Trattamento medico
Rilevamento biologico
Applicazione di rilevamento
Per ulteriori domande, visita il nostro centro assistenza.
Selezionare in base al lunghezza d'onda, potenza di uscita e connettore in fibra ottica (ad es. SMA905) di cui avete bisogno. Vi preghiamo di comunicarci se avete bisogno di una modulazione speciale.
Le caratteristiche dei nostri laser raffreddamento termoelettrico e controllo preciso della temperatura, garantendo una potenza più stabile, una qualità del fascio superiore e una maggiore durata per applicazioni impegnative.
Sì. La maggior parte dei modelli supporta Modulazione TTL, consentendo di commutare rapidamente il laser o regolarne l'intensità tramite un segnale esterno.
Offriamo un Garanzia di 18 mesi, e ogni unità viene sottoposta a rigorosi test di invecchiamento per garantirne l'affidabilità e una lunga durata.
