Produkt suchenBeitrag suchen
Wavespectrum Laser ist ein Hersteller von hochwertigen und leistungsstarken Diodenlaserprodukten. Wir haben uns der Entwicklung, Herstellung und dem Vertrieb von leistungsstarken Laserprodukten verschrieben. Der Wellenlängenbereich ist breit gefächert, die Produktpalette vielfältig. Es sind Single-Mode-Fasern, Multi-Mode-Fasern und polarisationserhaltende Fasern erhältlich. Wir kontrollieren die Produktqualität streng und haben uns mit unserer herausragenden Leistung großes Lob von Kunden auf der ganzen Welt verdient.
Wavespectrum Laser freut sich, das 520 nm 800 mW Hochleistungs-9-Pin-105-um-Faser-Pigtail-Diodenlasermodul vorstellen zu können. Wir sind auch in der Lage, verschiedene Leistungsversionen des 520 nm Hochleistungs-9-Pin-105-um-Faser-Pigtail-Diodenlasermoduls anzubieten, um den vielfältigen Anforderungen unserer Kunden gerecht zu werden. Darüber hinaus bieten wir eine umfangreiche Auswahl an Laserprodukten mit ähnlichen Wellenlängen, wie z. B.: 375 nm, 395 nm, 400 nm, 420 nm, 435 nm, 455 nm, 465 nm, 488 nm, 505 nm und 520 nm.
Produktmerkmale des 520 nm 800 mW Hochleistungs-9-Pin-105-µm-Faser-Pigtail-Diodenlasermoduls
Teilenummer: WSLX-520-800m-M-H9-T-PD
Wellenlänge: 520 nm
Ausgangsleistung: 800 mW
Gehäuse: 9-polig
Faserkern: 105 µm
Anschluss: FC/SC/SMA905/ST
Eingebauter TE-Kühler
Integrierter PD
FP-Laserprodukte
Produktparameter des 520 nm 800 mW Hochleistungs-9-Pin-105-µm-Faser-Pigtail-Diodenlasermoduls
| Spezifikationen | WSLX-520-800 m-M-H9-T-PD | ||
| Min. | Typ | Max. | |
| Mittenwellenlänge bei 25 °C | 510 nm | 520 nm | 535 nm |
| Spektralbreite (FWHM) | ---- | 2 nm | ---- |
| Ausgangsleistung | 700 mW | 800 mW | ---- |
| Empfohlene Betriebstemperatur | 25 °C | ||
| Schwellenstrom (typisch) | ---- | 0,2 A | 0,5 A |
| Betriebsstrom (typisch) | ---- | 1,6 A | 1,8 A |
| Betriebsspannung | 5,0 V | 6,0 V | |
| TEC Maximalstrom | 6A | ||
| TEC-Maximalspannung | 9,8 V | ||
| Thermistor | 10.000 | ||
| Faserkern | 105 µm (50 µm, 200 µm optional) | ||
| Faserlänge | >80 cm | ||
| Steckertyp | SMA905/FC | ||
| Paket | 9-polig | ||
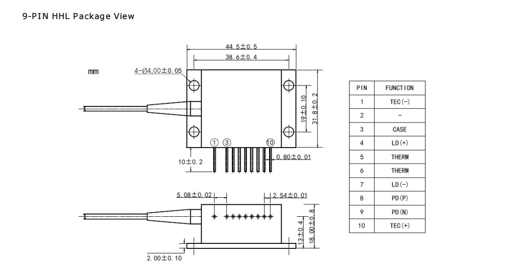
Produktzeichnung eines 520 nm 800 mW Hochleistungs-9-Pin-105-µm-Faser-Pigtail-Diodenlasermoduls

Produktanwendung des 520 nm 800 mW Hochleistungs-9-Pin-105-µm-Faser-Pigtail-Diodenlasermoduls
Medizinische Behandlung
Biologische Detektion
Sensorik-Anwendung
Weitere Fragen finden Sie in unserem Hilfe-Center.
Wählen Sie basierend auf dem Wellenlänge, Ausgangsleistung und Glasfaserstecker (z. B. SMA905) benötigen. Bitte teilen Sie uns mit, wenn Sie eine spezielle Modulation benötigen.
Unsere Laser zeichnen sich aus durch thermoelektrische Kühlung und präzise Temperaturregelung, wodurch eine stabilere Leistung, eine hervorragende Strahlqualität und eine längere Lebensdauer für anspruchsvolle Anwendungen gewährleistet werden.
Ja. Die meisten Modelle unterstützen TTL-Modulation, sodass Sie den Laser schnell umschalten oder seine Intensität über ein externes Signal anpassen können.
Wir bieten eine 18 Monate Garantie, Jede Einheit wird strengen Alterungstests unterzogen, um Zuverlässigkeit und eine lange Lebensdauer zu gewährleisten.
