Produkt suchenBeitrag suchen
Wavespectrum Laser ist ein Hersteller von hochwertigen und leistungsstarken Diodenlaserprodukten. Wir haben uns der Entwicklung, Herstellung und dem Vertrieb von leistungsstarken Laserprodukten verschrieben. Der Wellenlängenbereich ist breit gefächert, die Produktpalette vielfältig. Es sind Single-Mode-Fasern, Multi-Mode-Fasern und polarisationserhaltende Fasern erhältlich. Wir kontrollieren die Produktqualität streng und haben uns mit unserer herausragenden Leistung großes Lob von Kunden auf der ganzen Welt verdient.
Wavespectrum Laser bietet 488 nm 60 mW Single Mode FP Laserdioden an, und wir können unseren Kunden auch 488 nm SM Laserdioden mit unterschiedlicher Leistung liefern. Für Laserdioden mit nahen Wellenlängen können wir unseren Kunden Laserdioden mit 405 nm, 445 nm, 488 nm, 495 nm, 525 nm, 530 nm, 638 nm und 660 nm anbieten.
Produktmerkmale der 488 nm 60 mW FP-Laserdiode
Teilenummer: WSLD-488-060m-1
Wellenlänge: 480 nm
Ausgangsleistung: 60 mW
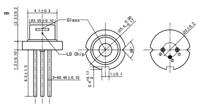
Paket: TO18
Ohne PD
FP-Laserprodukte
Produktparameter der 488 nm 60 mW Single-Mode-FP-Laserdiode
| Spezifikationen | WSLD-488-060 m-1 | ||
| Min | Typ | Max | |
| Mittenwellenlänge bei 25 °C | 488 nm ± 10 nm | ||
| Spektralbreite (FWHM) | 2,0 nm | ||
| Ausgangsleistung | - | 60 mW | - |
| Emitter | Einzel | ||
| Strahlaufweitung (FWHM) | - | 24°┴ x 8°// | 26°┴ x 12°// |
| Schwellenstrom (typisch) | - | 30 mA | 60 mA |
| Betriebsstrom (typisch) | - | 115 mA | 130 mA |
| Betriebsspannung | - | 6,5 V | 8,0 V |
| Empfohlene Betriebstemperatur | 25 °C | ||
| Verpackungsstil | TO18 | ||
Produktzeichnung einer 480 nm 60 mW Single-Mode-FP-Laserdiode
PIN-Unterseite:

PIN-Unterseite:

LD-Modul elektrisch verkürzen und unter nicht extremen Bedingungen lagern.
Empfehlen Sie die Verwendung einer Konstantstromversorgung.
Produktanwendung der 480 nm 60 mW Single-Mode-FP-Laserdiode
Medizinische Behandlung
Biologische Detektion
Sensorik-Anwendung
Weitere Fragen finden Sie in unserem Hilfe-Center.
Wählen Sie basierend auf dem Wellenlänge, Ausgangsleistung und Glasfaserstecker (z. B. SMA905) benötigen. Bitte teilen Sie uns mit, wenn Sie eine spezielle Modulation benötigen.
Unsere Laser zeichnen sich aus durch thermoelektrische Kühlung und präzise Temperaturregelung, wodurch eine stabilere Leistung, eine hervorragende Strahlqualität und eine längere Lebensdauer für anspruchsvolle Anwendungen gewährleistet werden.
Ja. Die meisten Modelle unterstützen TTL-Modulation, sodass Sie den Laser schnell umschalten oder seine Intensität über ein externes Signal anpassen können.
Wir bieten eine 18 Monate Garantie, Jede Einheit wird strengen Alterungstests unterzogen, um Zuverlässigkeit und eine lange Lebensdauer zu gewährleisten.
